Dummyload 100 Watt

Der erforderliche Widerstand von 50 Ohm wird durch das Parallelschalten von 54 Metallschichtwiderständen mit 2.7 KOhm und einer Belastbarkeit von je 2 Watt erzielt.

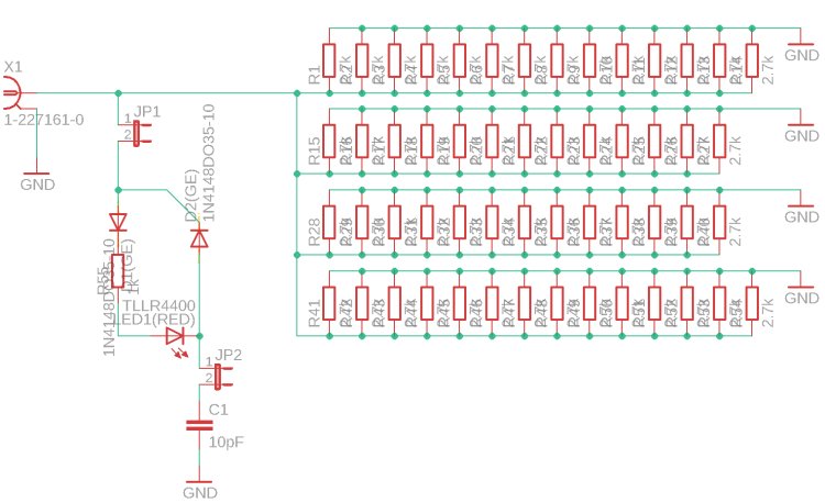
Dummyload 100 Watt

Der erforderliche Widerstand von 50 Ohm wird durch das Parallelschalten von 54 Metallschichtwiderständen mit 2.7 KOhm und einer Belastbarkeit von je 2 Watt erzielt. Das ergibt eine rechnerische Belastbarkeit von ca. 100 Watt. Die Leistung darf aber ohne Zwangskühlung durch Lüfter etc. nur für ca. eine Minute anliegen, sonst werden die Widerstände zu heiß. Durch die Zusammenschaltung der Widerstände werden Induktivitäten minimiert, die Last erscheint rein resistiv und das Stehwellenverhältnis im KW-Bereich geht über 1:1.1 nicht hinaus.

part list

  • R1-R54 – Metallschicht 2,7k – 2 Watt
  • R56 – 1k – 0,4 Watt
  • D1+2 – Germanium Diode
  • C1 – Kondensator 10pF
  • BNC-Buchse
  • LED rot, 3mm

What's Your Reaction?

like

dislike

love

funny

angry

sad

wow